1/0


Beskrivning
Koniska kugghjul 1:1 (bevel gear) utväxling till Robotar, diverse RC fordon.
Set med 4st med setskruv.
CNC Frästa, hobby kvalite.
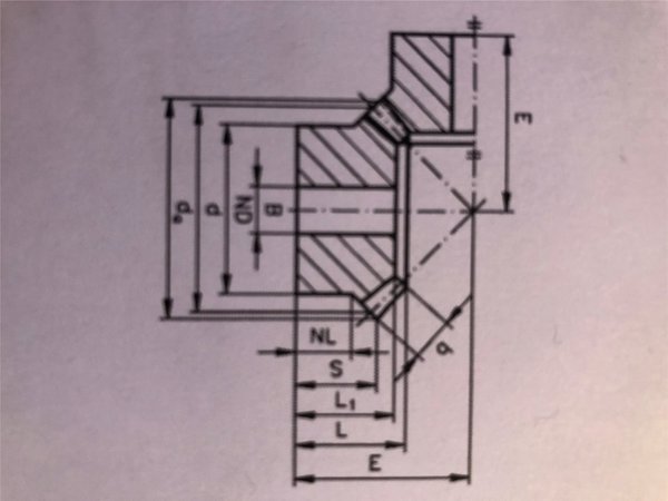
Ståldrev utväxling 1:1
hål 5mm
T16
da 17,4
ND 13
L1 10,3
E 16,4
Set med 4st med setskruv.
CNC Frästa, hobby kvalite.
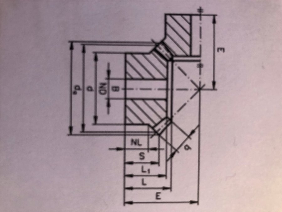
Ståldrev utväxling 1:1
hål 5mm
T16
da 17,4
ND 13
L1 10,3
E 16,4
Mer från samma kategori
Andra har även tittat på
Mer för dig
1:1 Koniska Kugghjul set MOD 1
Avslutad 8 okt 22:27
Utropspris
∙0 Bud
55 kr
60 kr med köparskydd.
Auktionen avslutades utan bud